With export quality, complete specifications, attentive after-sales service in one high vacuum solenoid baffle valve, in super vacuum mall, Ali platform, independent station can be purchased, before buying, you want to understand the problem, now for you to answer one by one。
1.working principle
The high vacuum electromagnetic angle valve is powered by electromagnetic force generated by energizing the coil, which is connected to the valve plate through the mechanism and drives the valve plate to open and close.
2.Structural characteristics
standardization, modular design, easy to replace and repair; Easy to clean design; Energy saving design of small size.
3.Main performance index
High Vacuum Angle Valve (electromagnetic) of series GDC
|
Model |
EVGDC-J16B(KF)S |
EVGDC-J25B(KF)S |
EVGDC-J40B(KF)S |
EVGDC-J50B(KF)S |
|||
|
Pressure Range |
Pa |
1×10-6Pa~1.2×105Pa(sealed with bellows) 1×10-5Pa~1.2×105Pa(sealed with fluorine rubber ring) |
|||||
|
Inside nominal diameter |
mm |
16 |
25 |
40 |
50 |
||
|
Leak rate |
Pa·L/s |
≤1.3×10-7 |
|||||
|
Service life until first maintenance |
time |
200000 |
|||||
|
Heating temperature(Valve body) |
℃ |
≤120 |
|||||
|
Supply voltage |
— |
Ue:AC220V 50Hz Range:85% Ue ~110% Ue |
|||||
|
Start/working power |
W |
600/0.7 |
800/1 |
1000/2 |
1400/3 |
||
|
Opening / closing time |
s |
open≤0.2,close≤0.5 |
|||||
|
Operating rate |
time/h |
300 |
|||||
|
Position indicator of the valve |
— |
Electric lights |
|||||
|
Installation orientation |
— |
Any(sealed with bellows), lower sealing surface vacuumed(sealed with fluorine rubber ring) |
|||||
|
Ambient temperature |
℃ |
5~40 |
|||||
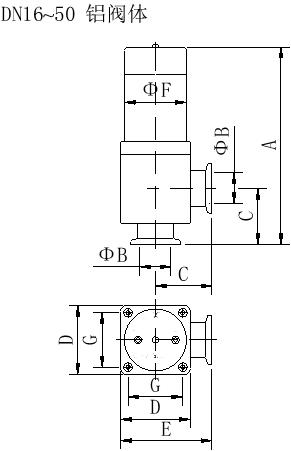
4.boundary dimension
Electromagnetic
|
Model |
DN |
boundary dimension(mm) |
||||||
|
A |
B |
C |
D |
E |
F |
G |
||
|
EVGDC-J16(KF)S |
16 |
167.5 |
16 |
35 |
48 |
62.5 |
44 |
39 |
|
EVGDC-J16B(KF)S |
16 |
167.5 |
16 |
35 |
48 |
62.5 |
44 |
39 |
|
EVGDC-J25(KF)S |
25 |
179.5 |
25 |
45 |
56 |
73.5 |
50 |
44 |
|
EVGDC-J25B(KF)S |
25 |
187 |
25 |
45 |
56 |
73.5 |
50 |
44 |
|
EVGDC-J40(KF)S |
40 |
217 |
40 |
55 |
72 |
91.5 |
66 |
57 |
|
EVGDC-J40B(KF)S |
40 |
221 |
40 |
55 |
78 |
94.5 |
73 |
63 |
|
EVGDC-J50(KF)S |
50 |
238 |
50 |
58 |
78 |
97.5 |
72 |
63 |
|
EVGDC-J50B(KF)S |
50 |
245 |
50 |
65 |
84 |
107.5 |
78 |
69 |
Flange Dimension
|
DN |
6~10 |
16 |
25 |
40 |
50 |
|
B |
30 |
30 |
40 |
55 |
75 |
|
C |
17.2 |
17.2 |
26.2 |
41.2 |
52.2 |
|
D |
6~10 |
16 |
25 |
40 |
50 |
5.using attention
a) Users should firstly check the valve whether it is in good condition and the attachment is complete before using.
b) The valve should be kept clean in a drying room as well as avoid strong vibration.
c) If the valve would be a long-term storage, it should be open for a trifle and should be checked within a certain time to avoid moisture, rust and aging of the rubber parts.
d) All the surfaces that contact with the valve and the vacuum should be done a thoroughly cleaning according to the vacuum health standards before installation.
e) It is forbidden that there are any convex welding scars in the connecting hole where will be connected with the user’s flange which matches the valve.
f) It is wrong to connect power on both ends of the signal switch of the pneumatic valve directly .It should be into the load in the loop .The maximum capacity of contact is 10 w. Pay attention to the correct polarity connection under the condition of DC.
g) The valve can not open unless it is longer than 1s between the intervals of time when operates electromagnetic valve twice .Besides, if the power supply is instant on-off, it will appear so. Thus, the power supply should be reliable.
6.The possibility of fault and eliminating methods
|
Fault |
Reason |
Eliminating methods |
|
Weak sealed |
Seal face with oil |
Clean the oil spot |
|
Seal face has been nicked |
polish the nick with polishing paper or the machine |
|
| Rubber sealing ring has been damaged |
Change rubber sealing ring |
|
|
Bellow has been damaged |
Change or weld the bellow |
|
|
Can not open/close (pneumatic) |
Insufficient supply pressure |
Raise the supply pressure to standard level |
|
Throttle valve with a wrong position |
Reset to initial state |
|
|
Air pressure unbalanced |
Adjust to be balanced |
|
|
Reversing valve fault (Pneumatic) |
Insufficient supply pressure |
Raise the supply pressure |
|
Reversing valve without power |
Power on |
|
| Reversing valve has been damaged |
Change the reversing valve |
|
|
Can not open/close (electromagnetic) |
Out of the range of power supply |
Adjust to the certain range |
|
poor contact for loose or break connection |
Change the broken wire or connect again |
|
|
Short-circuit damage of circuit board |
Return to the factory for renewal |
Post time: Jun-16-2022




